- 24.0kW Névleges fűtési teljesítmény
- - Névleges HMV teljesítmény
- Fali fűtő (tároló előkészítéssel) Működés módja
- - Szezonális hatásfok (2010/30/EU)
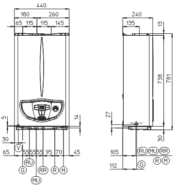
- 781 / 440 / 240 Méret (mag/szél/mély)
Bemutatás
Az EOLO Mini 24 kW X fali készülékcsalád 24 kW teljesítménnyel képes fűtési-, és külső tárolós rendszerben használati melegvizet előállítani. Kompakt méreteinek köszönhetően a lakás szinte bármely részén elhelyezhető. A készülék az Amico V2 távszabályzóval (opcionális) könnyen és gyorsan, a készüléktől távolról is vezérelhető. Külső érzékelő (opcionális) csatlakoztatása esetén időjárásfüggő szabályozás (alap felszereltség) alkalmazása is lehetséges. Felhasználóbarát elektronikájának köszönhetően egyszerűen üzemeltethető, az állapotjelző ábrák könnyen értelmezhetők.
RÉZ HŐCSERÉLŐ
A réz lemezekből készült hőcserélő kiváló teljesítményt biztosít a fűtési melegvíz előállításához.
PROGRAMOZHATÓ LÁNGMODULÁCIÓ
Az elektronikus lángmoduláció folyamatos energia megtakarítás és emelt szintű komfort biztosítása mellett képes a fűtővíz, valamint a használati melegvíz hőmérsékletének megfelelő szabályozására. A maximális teljesítmény elérése akár tíz perc időtartamra is elnyújtható, ezáltal csökkentve a ki-bekapcsolások számát, növelve a hőcserélő élettartamát.
SZABÁLYOZHATÓ BY-PASS
A szabályozható by-pass lehetővé teszi a kazán használatát termosztatikus szeleppel felszerelt radiátoros rendszer esetén is. A szabályozható by-pass optimális működést tesz lehetővé (alap felszereltség).
MOTOROS VÁLTÓSZELEP KÜLSŐ TÁROLÓ HASZNÁLATÁHOZ
A használati melegvíz előállításakor a beépített, motoros váltószelep irányítja a kazánvizet a külső tároló felé. A készülék a váltószelep működtetéséhez szükséges motort nem tartalmazza.
EGYÜTTMŰKÖDÉS A DIM EGYSÉGEKKEL
Az Eolo Mini kW készülékek képesek teljes körűen együttműködni az Immergas DIM egységeivel, így lehetséges több, egymástól független fűtési kör (akár radiátoros, akár kevert) kialakítása.
BEÉPÍTETT IDŐJÁRÁSFÜGGŐ SZABÁLYOZÁS
Az időjárásfüggő szabályozás magasabb komfort mellett biztosít költséghatékonyabb üzemelést. Az elektronika a külső hőmérséklet függvényében változtatja a kazánvíz-hőmérsékletet, így energiát takarít meg és magasabb komfortot biztosít.
IPX5D ELEKTROMOS VÉDETTSÉG
Magas páratartalmú és fröccsenő vizes környezetben is biztosítja a készülék biztonságos működését.
Méretek
|
BEFOGLALÓ MÉRETEK |
||||
|
Típus |
Magasság [mm] |
Szélesség [mm] |
Mélység |
Füstgáz evezetés / levegő bevezetés mérete [mm] |
|
EOLO Mini 24 kW X |
781 |
440 |
240 |
Ø 60 / 100 |

|
CSATLAKOZÓ MÉRETEK |
|||||||
|
Típus |
Fűtési előremenő M |
Fűtési visszatérő R |
Tároló előremenő (választható) |
Tároló visszatérő (választható) RU |
Hálózati hidegvíz (töltőcsap) RR |
Gáz
G |
Elektromos hálózat
V |
|
EOLO Mini 24 kW X |
3/4" |
3/4" |
1/2" |
1/2" |
1/2" |
3/4" |
23OV / 50Hz |